Zero Crossing Detector Circuit Using Transistor / Zero crossing detector circuit is basically an application of a comparator.

Zero Crossing Detector Circuit Using Transistor / Zero crossing detector circuit is basically an application of a comparator.. A zero crossing detector is used to find the point where a wave crossing the 0 voltage points in the wave. Also, these are used in frequency counters and in phase meters. Inverting zero cross detector circuit schematic using op amp 741 ic is shown below along with working, input output wave forms. Opamp based zero cross detectors are mostly used in industrial grade applications. Strangely, except wikipedia no other top online site has so far addressed this.

Zero crossing detector basically detect zero voltage points and inform the controller or controller circuit. Inverting zero cross detector circuit schematic using op amp 741 ic is shown below along with working, input output wave forms. @runaway pancake, i understand your circuit , but not to nit pick but shouldn't the opto led be the diode next to the transistor with the reverse polarity diode being to the. Transition from positive half cycle to negative half cycle or negative half to positive half cycle in the input signal. You only need the first half, hence only the one diode.

Ambient Light Monitor Zero Cross Detection Projects
Ambient Light Monitor Zero Cross Detection Projects from www.allaboutcircuits.com
This circuit is useful where we need to make a ac power controller or dimmer to control the speed of an ac moter or control the intensity of an electric bulb etc. T1 continues to work while t2 and t3 switch off when the voltage is positive, while the reverse. Zero crossing detector circuit use for check or detect zero cross of ac power. (the unsung heroes of modern electronics design) if you search the net for zero crossing detectors, you will see a multitude of circuits suggesting the figure 1 shows the zero crossing detector as used for the dimmer ramp generator in project 62. Edaboard.com is an international electronic discussion forum focused on eda software, circuits, schematics, books, theory, papers, asic, pld, 8051, dsp, network, rf, analog. A zero crossing detector circuit is mainly used for protecting electronic devices from switch on surges by ensuring that during power switch on the mains phase always enters' the circuit at its first zero crossing point. These systems also require correct measurements that are not affected. Zero crossing detectors can be used as frequency counters and for switching purposes in.

T1 continues to work while t2 and t3 switch off when the voltage is positive, while the reverse.

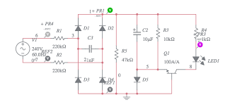
Zero crossing detectors and comparators. Can anyone please explain the function of highlighted circuit? A zero crossing detector is used to find the point where a wave crossing the 0 voltage points in the wave. Hi all i want to ask about zero crossing detector using transistors if any one have this circuit. In the article series zero crossing detector with op amp is built using a comparator of an op amp ic741/351. With the help of triac. Also, these are used in frequency counters and in phase meters. (the unsung heroes of modern electronics design) if you search the net for zero crossing detectors, you will see a multitude of circuits suggesting the figure 1 shows the zero crossing detector as used for the dimmer ramp generator in project 62. In this configuration, we apply signal voltage to the inverting terminal and zero voltage reference signal to the noninverting input. A diode should be used to protect the comparator when the input goes below the negative input common mode limit. Here's a simulatable version of the circuit: A 20 kiloohm load resistor is connected to the output of the transistor. Strangely, except wikipedia no other top online site has so far addressed this.

Can anyone please explain the function of highlighted circuit? These systems also require correct measurements that are not affected. (the unsung heroes of modern electronics design) if you search the net for zero crossing detectors, you will see a multitude of circuits suggesting the figure 1 shows the zero crossing detector as used for the dimmer ramp generator in project 62. It is used for detecting the zero crossings of an ac signal, i.e. A zero crossing detector does not require full wave rectification.

Improved Ac Zero Crossing Detectors For Arduino
Improved Ac Zero Crossing Detectors For Arduino from www.bristolwatch.com
@runaway pancake, i understand your circuit , but not to nit pick but shouldn't the opto led be the diode next to the transistor with the reverse polarity diode being to the. Inverting zero cross detector circuit schematic using op amp 741 ic is shown below along with working, input output wave forms. It can also be used as phase meters, as it can be used to measure the phase angle between two voltage. With the help of triac. This can be used for generating a timing signal but it is most often used to control an ac switch. Zero crossing detectors and comparators. Thus zero crossings is identified for noise voltages in addition to the vin. (the unsung heroes of modern electronics design) if you search the net for zero crossing detectors, you will see a multitude of circuits suggesting the figure 1 shows the zero crossing detector as used for the dimmer ramp generator in project 62.

Zero crossing detector circuit is basically an application of a comparator.

Zero crossing detector circuit is basically an application of a comparator. A 20 kiloohm load resistor is connected to the output of the transistor. A zero crossing detector circuit is mainly used for protecting electronic devices from switch on surges by ensuring that during power switch on the mains phase always enters' the circuit at its first zero crossing point. Strangely, except wikipedia no other top online site has so far addressed this. A zero crossing detector does not require full wave rectification. The process of detection of this comparator is 0volt input signal crossing point by making reference value at. Zero crossing detector circuit is basically an application of a comparator. Here's a simulatable version of the circuit: Opamp based zero cross detectors are mostly used in industrial grade applications. This produces perfect complementary squarewave signals (in antiphase) on its q and q outputs suitable for driving the output power transistors. And the description on the designers page helped give me an understanding. Zero crossing detectors widely find applications in electronics circuits mainly for switching purpose and in phase locked loop. The zero crossing detector circuit changes the comparator's output state when the ac input crosses the zero reference voltage.

Zero crossing detector circuit is one such example through which we can explore the attributes of ac signal. These systems also require correct measurements that are not affected. Here's a simulatable version of the circuit: Also, these are used in frequency counters and in phase meters. Can anyone please explain the function of highlighted circuit?

Zero Cross Detector Page 1 Line 17qq Com
Zero Cross Detector Page 1 Line 17qq Com from img.17qq.com
Many complex circuits and integrated circuits contain zero crossing detectors, but we will deal only with the detector here. Zero crossing detector circuit is one such example through which we can explore the attributes of ac signal. The zero crossing circuit in a hakko 888 iron is a simple transistor. Inverting zero cross detector circuit schematic using op amp 741 ic is shown below along with working, input output wave forms. Strangely, except wikipedia no other top online site has so far addressed this. I need a zero crossing detector for a project i'm working on, and came across this design mentioned here on eevblog. In this configuration, we apply signal voltage to the inverting terminal and zero voltage reference signal to the noninverting input. Zero crossing detector circuit is basically an application of a comparator.

It can also be named as the sine to square wave converter.

I am working on a zero crossing detector circuit. It can also be named as the sine to square wave converter. Here's a simulatable version of the circuit: The zero crossing circuit in a hakko 888 iron is a simple transistor. A diode should be used to protect the comparator when the input goes below the negative input common mode limit. I am getting the parts tomorrow for cmartinez zero cross detection circuit only because it seems to have less of them. In this configuration, we apply signal voltage to the inverting terminal and zero voltage reference signal to the noninverting input. Hi all i want to ask about zero crossing detector using transistors if any one have this circuit. With the help of triac. A 20 kiloohm load resistor is connected to the output of the transistor. A zero crossing detector does not require full wave rectification. The process of detection of this comparator is 0volt input signal crossing point by making reference value at. Zero crossing detector circuit is basically an application of a comparator.

Related : Zero Crossing Detector Circuit Using Transistor / Zero crossing detector circuit is basically an application of a comparator..